| Availability: | |
|---|---|
| Quantity: | |
Connecting link is a new type of construction equipment, which is an ideal tool for locking and anchoring of formwork tie rods.
It uses the resistance generated when the clamp wedge-shaped latch to clamp the pull rod to anchor the pull rod, and the work is reliable. Compared with the traditional threaded pull rod, it not only replaces the functions of nuts and gaskets, but also changes the operation mode of the traditional formwork pull rod, effectively controls the size of the formwork, improves the smoothness of the surface of the concrete member, and has the advantages of convenient construction and operation, Fast, long life and other advantages!
Feature:
Alloy steel forged
The test of working load limit is 2.5 times
100% magnaflux crack detection
Powder coated surface treatment
Safety factor: 4:1
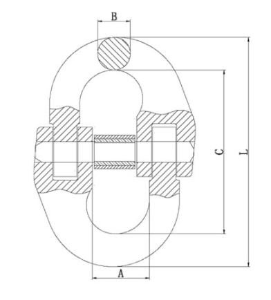
| G80 connecting link | |||||||
| Size (mm) | WLL(T) | B.L(T) | A(MM) | B(MM) | C(MM) | L(MM) | Weight(MM) |
| 6 | 1.12 | 4.48 | 15.4 | 8 | 46 | 60.5 | 0.08 |
| 8 | 2 | 8 | 19 | 8.5 | 58.5 | 76 | 0.14 |
| 10 | 3.2 | 12.8 | 25.6 | 11 | 70 | 92 | 0.32 |
| 13 | 5.4 | 21.2 | 30.1 | 15 | 87.6 | 117.6 | 0.66 |
| 16 | 8 | 32.8 | 34 | 19.1 | 113.6 | 152 | 1.3 |
| 18 | 10 | 40 | 38.4 | 21 | 113.5 | 155.5 | 1.8 |
| 20 | 12.5 | 50 | 42 | 22 | 120 | 167.8 | 2.1 |
| 22 | 15 | 60 | 51 | 26 | 145.6 | 197.6 | 3.4 |
| 26 | 21.2 | 84.8 | 58 | 30 | 160.8 | 222.8 | 5.2 |
| 32 | 31.5 | 126 | 67.5 | 37 | 205.3 | 281.4 | 10.4 |
The company always adheres to the highest standard of customer satisfaction and high-quality products as the measurement standard of the company's work
